Пусковой конденсатор К78: применение в электродвигателях | |
|
Как выбрать и заменить пусковой конденсатор К78 для асинхронного двигателя. Роль в запуске мотора, технические характеристики, схемы подключения.
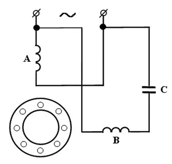
Вчера мой сосед час возился с насосом — мотор гудел, но не крутился. Оказалось, сдох к78. Заменили за десять минут — всё заработало. Вот так небольшая деталь может парализовать целую систему. Конденсаторы к78 в мире электродвигателейМеталлизированные конденсаторы этой серии решают конкретную задачу: они создают фазовый сдвиг для запуска асинхронных двигателей от однофазной сети. Без них мотор в холодильнике или насосе просто не стартанёт. Трёхфазные схемы в этом плане проще — там магнитное поле вращается само по себе. Корпус бывает двух типов. Пластиковый — дешевле, весит меньше. Алюминиевый — отводит тепло лучше, но стоит дороже и тяжелее. Для бытовых целей пластик вполне подходит. Исключение — если агрегат работает в жару или запускается часто. Номинальное напряжение обычно 450 вольт. Это даёт запас, потому что в розетке может скакануть и до 250. Изолированные выводы — ещё одно улучшение по сравнению со старыми моделями. Раньше клеммы торчали открытые, сейчас в исп5 провода уже выведены гибким кабелем. Безопаснее работать. Допускаемое отклонение ёмкости — процентов 5-10. Звучит много? На практике двигатель этого почти не замечает, если подбор сделан правильно. Роль пусковых конденсаторов в работе двигателяНажимаете кнопку — конденсатор подаёт напряжение на дополнительную обмотку с фазовым сдвигом градусов на 90. Ротор начинает крутиться. После разгона (в некоторых схемах) реле отключает пусковой элемент, и мотор работает уже сам. Но бывает, что конденсатор остаётся в цепи постоянно — тогда это рабочая схема.
Вот как это работает на деле:
Интервал рабочих температур у нормальных моделей — минус 40 до плюс 85. Можно ставить хоть в подвал, хоть на улицу под навес. Особенности применения конденсаторов к78Серия делится на несколько модификаций. К78-17 — старая, проверенная временем. К78-98 — более новая, с улучшенными параметрами. Есть ещё CBB60 — это тот же принцип, но маркировка международная. Пусковой конденсатор cbb60 встретите в импортной технике чаще. Пленочные конденсаторы стабильнее электролитических. Не сохнут, не вздуваются. Выдерживают пусковые токи, которые в разы превышают рабочие. Где их используют:
В каждом случае элемент работает секунды — только на старте. Но эти секунды решают всё. Мотор без конденсатора гудит, греется и в итоге сгорает.
Выбор и замена конденсатора к78Глядите на маркировку старого компонента. Там написано:
Что смотреть при выборе:
Нет точной ёмкости в продаже? Соедините два конденсатора параллельно. Их ёмкости сложатся. Последовательное соединение уменьшит результат, но так почти никто не делает. Меняется так:
Конденсатор к78 стоит копейки, меняется за минуты. Но без него даже мощный двигатель превращается в бесполезную железку. Главное — не экономьте на качестве и подбирайте параметры правильно. Иначе замена превратится в регулярное занятие. | |
| 01.11.2025 в 16:20 | |
| Комментариев нет. |
|



